搬瓦工
搬瓦工
搬瓦工
菜单
主页
搬瓦工新闻
搬瓦工新闻
搬瓦工快讯
搬瓦工要闻
新闻发布
体彩之窗
政务公开
政务公开
政务公开
搬瓦工公告
群众体育
群众体育
竞技体育
竞技体育
体育产业
体育产业
政策法规
政务服务
直播专区
直播专区
信息博览
主页
>
政务公开
>
搬瓦工公告
>
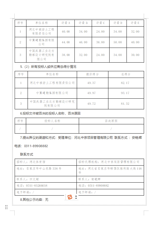
搬瓦工 馆改造提升项目勘察中标候选人公示
来源:搬瓦工 馆 时间:2024-07-18
责任编辑:搬瓦工
相关推荐
“河北五超”第12轮赛果出炉:43球盛...
“河北五超”第12轮:邯郸主场5:1力克...
2025年河北省赛事资源策划运营对接洽...
栏目导航
>搬瓦工快讯
>搬瓦工要闻
>搬瓦工公告
>新闻发布
>体彩之窗
热点新闻
1
河北省代表队在十五运群众展演健身气功项目决赛中荣获佳绩
2
全红婵出战!广东队夺冠!
3
三地联动四城同传,全运会历史首次跨境火炬传递举行
4
十五运赛场创佳绩 群众比赛围棋项目河北省运动员获一银二铜
5
重磅!本周日,十五运会火炬传递在港澳广深同步举行
6
2025 年部门预算信息公开目录
7
2024(第五届)河北省体育消费季“体育运动护照”打卡体验...
8
搬瓦工 学院系列视频展播 人才
9
搬瓦工 学院系列视频展播 概况
10
搬瓦工 学院系列视频展播 冰雪
搬瓦工 公众号
扫描关注
获取更多精彩